Автомобили марки Газель безусловно зарекомендовали себя как надежные и универсальные рабочие лhors. Модель Газель бизнес 4216 выделяется среди сверстников благодаря своей высокоэффективной конфигурации и возможности решения множества задач в рамках малых и средних предприятий.
Однако, для достижения максимальной производительности и минимизации затрат важно правильно организовать схему проводки. Это включает в себя не только грамотное управление техническим состоянием транспорта, но и оптимизацию всех бизнес-процессов, связанных с его эксплуатацией.
В данной статье мы подробно рассмотрим, как правильно настроить проводку для Газели бизнес 4216, чтобы повысить ее эффективность и обеспечить бесперебойную работу. Мы расскажем о ключевых аспектах, которые помогут в этом процессе, и предоставим полезные рекомендации для владельцев и управляющих.
Обзор модели Газель Бизнес 4216
Газель Бизнес 4216 представляет собой обновленную версию популярного грузового фургона, который отлично зарекомендовал себя на российском рынке. Эта модель оснащена современным дизельным двигателем, обеспечивающим хорошую производительность и экономичность. Двигатель мощностью 120-150 л.с. позволяет грузовику развивать высокую скорость и эффективно использовать топливо.
Корпус Газели Бизнес 4216 выполнен из высококачественных материалов, что обеспечивает хорошую защиту от коррозии и механических повреждений. Это делает модель пригодной для различных климатических условий и типов эксплуатации. Шасси объединяет в себе надежность и маневренность, что отлично подходит для городских условий и междугородних перевозок.
Кабина водительского места спроектирована с учетом удобства и безопасности. Она оснащена современными системами управления и комфорта, включая кондиционер, новые руль и панель приборов. Обилие места в кабине позволяет комфортно размещаться водителю и пассажирам, что особенно важно при длительных поездках.
Объем кузова позволяет перевозить большие грузы, а возможность установки дополнительных надстроек делает Газель Бизнес 4216 универсальным решением для бизнеса. Модель легко адаптируется под потребности заказчика, что приводит к увеличению ее популярности среди предпринимателей.
В дополнение, интеграция современных технологий, таких как навигационные системы и системы контроля расхода топлива, значительно упрощает эксплуатацию автомобиля. Это делает Газель Бизнес 4216 востребованной не только для транспортировки грузов, но и для организации логистических процессов бизнесов различного масштаба.
Преимущества Газель Бизнес 4216
Газель Бизнес 4216 обладает рядом значительных преимуществ, которые делают её востребованной среди предпринимателей и логистических компаний.
- Экономичность. Низкий расход топлива позволяет значительно сократить эксплуатационные расходы, что особенно важно для бизнеса.
- Грузоподъемность. Модель оснащена вместительным кузовом, способным перевозить значительные объемы груза, что повышает эффективность логистики.
- Маневренность. Компактные размеры обеспечивают легкость маневрирования в городских условиях, что особенно актуально для доставки до дверей клиентов.
- Доступная цена. Конкурентоспособная стоимость покупки и обслуживания делает Газель Бизнес 4216 привлекательной для малых и средних предприятий.
- Надежность. Прочная конструкция и проверенные технические решения обеспечивают высокую долговечность и минимальные простои в обслуживании.
Эти преимущества делают Газель Бизнес 4216 идеальным выбором для ведения бизнеса в сфере доставки и логистики.
Основные технические характеристики автомобиля

Газель Бизнес 4216 выделяется своими техническими характеристиками, которые обеспечивают высокую производительность и надежность. Рассмотрим ключевые параметры этого автомобиля:
- Тип кузова: грузовой, фургон или микроавтобус.
- Двигатель:
- Тип: дизельный или бензиновый.
- Объем: 2.9 литра (дизель), 2.4 литра (бензин).
- Мощность: до 130 л.с.
- Трансмиссия: механическая, 5-ступенчатая.
- Максимальная скорость: 120 км/ч.
- Грузоподъемность: до 1500 кг.
- Объем кузова:
- Для фургона: до 16 м?.
- Для грузового варианта: до 20 м?.
- Расход топлива:
- На трассе: около 9-11 л/100 км (дизель).
- В городе: около 12-14 л/100 км (дизель).
- Размеры:
- Длина: 5 210 мм.
- Ширина: 2 050 мм.
- Высота: 2 300 мм.
- Количество мест: до 3 пассажирских мест.
Эти характеристики делают Газель Бизнес 4216 отличным выбором для различных бизнес-задач, от доставки товаров до перевозки пассажиров.
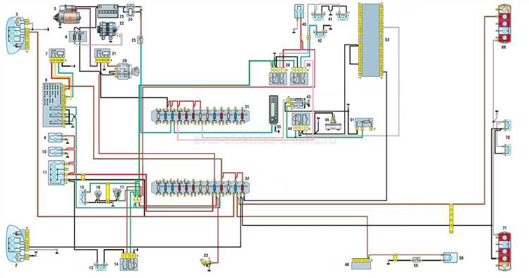
Схема подключения основных систем

Схема подключения основных систем Газель Бизнес 4216 включает в себя несколько ключевых компонентов, обеспечивающих бесперебойную работу автомобиля. Важно правильно организовать электропроводку и соединения для повышения надёжности в эксплуатации.
Первым шагом является подключение электрической системы. Проводка должна быть выполнена из высококачественных материалов для предотвращения коррозии и перегрева. Основные элементы системы включают аккумулятор, генератор и стартер. Аккумулятор обеспечивает стартовые токи, а генератор отвечает за зарядку аккумулятора во время движения.
Системы освещения и сигнализации должны быть подключены к отдельному блоку предохранителей, что позволяет быстро устранять неисправности. Также важно учитывать правильное распределение нагрузки, чтобы избежать перегрузки отдельных цепей.
Подключение системы управления двигателем осуществляется через контроллер, который отвечает за качество работы двигателя. Все датчики должны быть установлены в строго определённые места для точного считывания информации о состоянии системы.
Кроме того, необходимо обратить внимание на систему отопления и вентиляции. Вентиляторы и отопители должны правильно подключаться к электрическому блоку управления для обеспечения эффективного обмена воздуха в салоне.
Рекомендации по обслуживанию Газели
Для обеспечения надежной работы Газели Бизнес 4216 необходимо строго следовать регламенту технического обслуживания. Регулярный осмотр автомобиля поможет избежать серьезных поломок и продлить срок службы. Важно проводить диагностику на специализированном оборудовании, чтобы обнаружить потенциальные проблемы на ранних стадиях.
Соблюдайте периодичность замены масла и фильтров согласно рекомендациям производителя. Используйте качественные расходные материалы, что положительно скажется на работе двигателя и других систем.
Следите за состоянием тормозной системы. Регулярная проверка тормозных колодок, дисков и жидкости обеспечивает безопасность на дорогах. Замена изношенных компонентов должна производиться без задержек.
Систему охлаждения также необходимо периодически проверять. Убедитесь, что уровень антифриза соответствует норме, а радиатор не имеет повреждений. Это предотвратит перегрев двигателя.
Проверяйте состояние шин, особенно перед дальними поездками. Регулярно измеряйте давление и осматривайте протектор на предмет износа или повреждений.
Не забывайте о регулярной мойке кузова и обработке антикоррозийными средствами, что поможет сохранить внешний вид автомобиля и предотвратит коррозию.
Наконец, важно соблюдать правила эксплуатации и не перегружать автомобиль. Это уменьшит нагрузку на основные узлы и продлит срок службы самого автомобиля.
Оптимизация расхода топлива
Основные шаги для оптимизации расхода топлива включают:
| Метод | Описание |
|---|---|
| Регулярное техническое обслуживание | Своевременная проверка и замена масла, фильтров и других расходных материалов помогут обеспечить оптимальную работу двигателя. |
| Правильная загрузка | Оптимальное распределение нагрузки не только уменьшает расход топлива, но и предотвращает перегрузку автомобиля. |
| Соблюдение скоростного режима | Экономичная скорость движения составляет 60-80 км/ч, что позволяет минимизировать затраты на топливо. |
| Использование качественного топлива | Повышение качества топлива может привести к улучшению работы двигателя и сокращению расхода. |
| Обучение водителей | Научите водителей экономить топливо, избегая резких стартов и торможений, а также следя за техническим состоянием автомобиля. |
Применяя перечисленные методы, можно существенно сократить расходы на топливо и повысить эффективность работы Газели Бизнес 4216, что в свою очередь позволит увеличить рентабельность бизнеса.
Эффективное использование грузового пространства
Оптимизация грузового пространства автомобиля Газель Бизнес 4216 играет ключевую роль в повышении его функциональности. Правильное распределение и секционирование груза могут значительно увеличить эффективность перевозок, снизить вероятность повреждения товаров и облегчить процесс загрузки и разгрузки.
Первым шагом является разделение грузового отсека на секции. Это позволяет избежать смешивания различных групп товаров, что особенно важно для деликатных или скоропортящихся грузов. Использование складных перегородок и специального крепежа поможет организовать пространство более рационально.
Также стоит обратить внимание на место для хранения дополнительного оборудования и инструментов. Выделение специальных отсеков для таких предметов убережет основной груз от возможных повреждений и улучшит порядок в фургоне. Например, можно использовать сетки или контейнеры для мелких вещей.
Для более эффективного использования высоты грузового отсека рекомендуется загружать более тяжелые и габаритные предметы внизу, а легкие и небольшие вверху. Это поможет снизить центр тяжести и избежать перевертывания автомобиля на поворотах или неровностях дороги.
Кроме того, не забывайте о возможности использования специальных устройств для фиксации груза, таких как тросы, ремни и сетки. Они помогут зафиксировать груз и предотвратят его движение во время транспортировки.
| Метод | Преимущества |
|---|---|
| Секционирование груза | Упрощает доступ к товарам, предотвращает повреждения. |
| Использование контейнеров | Лучше организует пространство, облегчает поиск и учет. |
| Фиксация груза | Предотвращает сдвиг и повреждение во время перевозки. |
Завершая, следует отметить, что эффективное использование грузового пространства в Газель Бизнес 4216 не только увеличивает продуктивность, но и повышает безопасность грузоперевозок. Правильная организация позволяет оптимизировать время на загрузку и разгрузку, что непосредственно влияет на финансовые показатели бизнеса.
Правила эксплуатации в городских условиях
Эксплуатация Газели Бизнес 4216 в городских условиях требует особого внимания к ряду факторов, чтобы обеспечить безопасность и эффективность работы. Первое правило — следить за состоянием дорожного покрытия. В условиях города неровности, ямы и выбоины могут существенно повлиять на ходовые качества автомобиля, поэтому необходимо быть внимательным и избегать резких маневров на таких участках.
Второе правило касается соблюдения правил дорожного движения. Газель, как грузовой автомобиль, подвержена строгим ограничениям по скорости, особенно в жилых зонах. Соблюдение скоростного режима не только снижает риск аварий, но и помогает сохранить автомобиль в надлежащем состоянии.
Третье — регулярные проверки технического состояния автомобиля. В условиях города, где часто возникают пробки, нагрев двигателя и трансмиссии могут значительно увеличиваться. Необходимо следить за уровнем охлаждающей жидкости и температурой двигателя, чтобы избежать перегрева.
Четвертое правило — грамотное использование пространства. В условиях городских грузоперевозок важно оптимально загружать автомобиль, распределяя груз равномерно. Это поможет избежать перегрузки одной из осей и улучшит управляемость автомобиля.
Пятое — обдуманный маршрут. При планировании доставки старайтесь выбирать маршруты с минимальным объемом пробок и светофоров. Это не только сократит время в пути, но и уменьшит расход топлива, что является важным экономическим аспектом. Использование навигационных приложений поможет оптимизировать передвижение по городу.
Соблюдение этих правил значительно повысит эффективность эксплуатации Газели Бизнес 4216 в городских условиях и продлит срок ее службы, обеспечивая надежность в любой ситуации.
Советы по выбору комплектующих
При выборе комплектующих для Газели Бизнес 4216 стоит учитывать несколько ключевых факторов для обеспечения надежности и эффективности работы автомобиля.
Во-первых, предпочтение следует отдать оригинальным запчастям, так как они гарантируют идеальное соответствие техническим требованиям и долговечность. Оригинальные детали проходят строгий контроль качества и могут повысить срок службы автомобиля.
Во-вторых, важно обратить внимание на отзывы пользователей и репутацию производителя. Изучение мнений владельцев поможет избежать некачественных аналогов, которые могут негативно сказаться на производительности и безопасности.
Третьим аспектом является совместимость выбранных комплектующих с уже имеющимися системами автомобиля. Перед покупкой следует тщательно проверить, соответствует ли новый элемент характеристикам устройства и конструктивным особенностям Газели Бизнес 4216.
Необходимо также учитывать условия эксплуатации автомобиля. Например, для грузовых перевозок в сложных дорожных условиях подойдут более прочные и износостойкие детали, способные выдерживать значительные нагрузки.
Наконец, не стоит пренебрегать консультациями с опытными механиками и специалистами. Профессиональный совет поможет сэкономить время и деньги, а также предотвратить возможные проблемы в будущем.
Проблемы и способы их решения
Автомобиль Газель Бизнес 4216, как и любое другое транспортное средство, может столкнуться с различными проблемами в процессе эксплуатации. Вот некоторые из них и возможные подходы к их решению:
-
Проблема: Низкий уровень мощности двигателя.
Причины могут заключаться в загрязнении фильтров, неправильной работе системы зажигания или использовании некачественного топлива.
Решение: Регулярная замена топливного фильтра, диагностика системы зажигания и использование топлива от проверенных поставщиков.
-
Проблема: Повышенный расход топлива.
Эта проблема может возникнуть из-за неправильной настройки двигателя или изношенных компонентов трансмиссии.
Решение: Проведение профессиональной диагностики и настройки, а также замена поврежденных деталей трансмиссии.
-
Проблема: Неравномерный износ шин.
Причины могут включать неправильное давление в шинах или несбалансированные колеса.
Решение: Регулярная проверка давления, балансировка колес и регулярная ротация шин.
-
Проблема: Проблемы с тормозной системой.
Сигнализирует о себе скрип тормозов или неэффективность торможения.
Решение: Проверка состояния тормозных колодок, дисков и жидкости, своевременная замена изношенных компонентов.
-
Проблема: Электрические неисправности.
Могут возникнуть из-за коррозии контактов или поломки элементов электрооборудования.
Решение: Регулярная проверка электрической системы, чистка контактов и замена поврежденных проводов.
Правильное понимание и диагностика этих распространенных проблем помогут сохранить работоспособность Газели Бизнес 4216 и увеличить срок службы автомобиля. Регулярное техническое обслуживание и внимание к деталям – ключ к успешной эксплуатации.